Stations:-
Using the Gold Coast as an example, large stations will be erected
at major regional centres along the Pacific Highway (M1) to serve commuters
from west of the highway and the adjacent areas to the east. These stations will be specifically
designed for the appropriate available site.
These stations will also
serve as the transit hub for connection between the inter city and intra city networks. At these centres, the station will feature a large, free car park and
probably a convenience store and café. Buses and taxis will become more local
transport providers rather than between regional centres.
Supplementing these large stations will be an array of mini
stations along the arterial roads etc. to serve the local community.
Operation:-
Each station/mini station will have
automatic machines with touch screens for patrons to select their
destination. The machines will record the selected destination on a card/ticket which is then
used at the MonoCab VRT car to initiate travel. Alternately, passengers could
have their own pre-paid card which will record their normal journeys but with
the option to select an alternate destination.
At each car entry point, an external display will show the
destination of the first person in the car so that others can also enter that
car if they were travelling to the same destination. Each car will wait
perhaps for only three minutes after the first person entered the car for any other passengers. After
this short wait the car will proceed even if it had only one occupant.

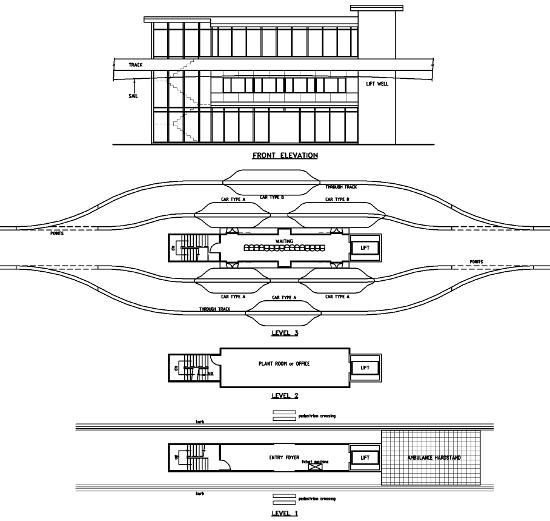
Mini Station Type 1:-
This type will be built in the median of arterial roads typically
at the location of current bus stops. It has been designed with a narrow footprint to fit in
a normal median. A typical station is shown on the right and below.
These will be standard designs and built quickly using pre-fabricated steel members
and precast concrete.

Mini Station Type 2:-
This type (right and below) has been designed for open space locations (i.e. not on roadways)
where large numbers of people congregate e.g. shopping centres, sporting events or carnivals. The tracks are not high enough to permit the passage of high vehicles.

On the basis of a load/departure frequency of one minute and 20
passengers per Maxi car (16 seated and 4 standing), this station will process
7200 passengers per hour. Lengthening the station shown above to accomodate one
extra Maxi car increases this to 9600 passengers per hour. A large
sporting stadium might have four or more such stations. These cars would travel to central hubs in
various directions where there was a large car park or for the passengers to transfer to the
smaller Mini cars to travel to their final destination.
The Importance of Stations:-
Easy, convenient access to any rapid transit system is the key to
encouraging public use. This can only be achieved by many frequent access points, in MonoCab's case, many
stations and mini stations.
This map shows the proposed MonoCab VRT rapid transit
system for the Gold Coast. There are seven major stations
along the Pacific Highway (M1) and 180 mini stations in the area from the M1 to the beach.
|